Meanwell LSP-160 Series LED Displays Power Supply
LSP-160 series is a 160W single-output slim type power supply with 20mm of low profile designAdopting the full range 100-264VAC input, the entire series provides an output voltage line of3.3V.4.2V.5V, 12V. 24V. 36V and 48V. In addition to the high efficiency up to 93.5%, that the wholeseries operates from-30℃ 70℃ under air convection without fan. LSP-160 has the completeprotection functions and 5G anti-vibration capability: It is complied with the international safetyrequlations such as TUV BS EN/EN62368. UL62368 and GB4943. LSP-160 series serves as a highperformance power supply solution for various industrial applications.
- Slim width and low profile(20mm)
- Fanless design for noise free environment
- Withstand 300VAC surge input for 5 seconds
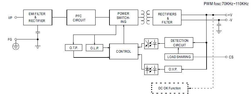
- DC OK active signal function
- Semi-Potting for high moisture environment
- Protections:Short circuit/Over load/Over voltage/Over temperature
- Current sharing for redundant function(5V/4.2V/3.3V only)
- Max. operating wattage to 200W at 230V AC input
- Operating altitude up to 5000 meter(Note.5)
- LED indicator for power on
- 3 years warranty

Meanwell LSP-160 Series LED Displays Power Supply Block Diagram

Meanwell LSP-160 Series LED Displays Power Supply Installation
Meanwell LSP-160 Series LED Displays Power Supply Specification

Further Information:
LSP-160
Meanwell LSP-160 LED Power Supply Specification









Reviews
There are no reviews yet.