Meanwell RS-15 Series RS-15-5 LED Displays Power Supply
RS-15 is a 15W single output enclosed type AC/DC power supply. This series operates for 85~264VAC input voltage and offers the models with the DC output mostly demanded from the industry. Each model is cooled by free air convection,working for the temperature up to 70℃.
- Universal AC input / Full range
- Protections: Short circuit / Overload / Over voltage / Over temperature
- Cooling by free air convection
- LED indicator for power on
- 100% full load burn-in test
- No load power consumption<0.5W
- All using 105°C long life electrolytic capacitors
- Withstand 300VAC surge input for 5 second
- High operating temperature up to 70°C
- Withstand 5G vibration test
- High efficiency, long life and high reliability
- 3 years warranty
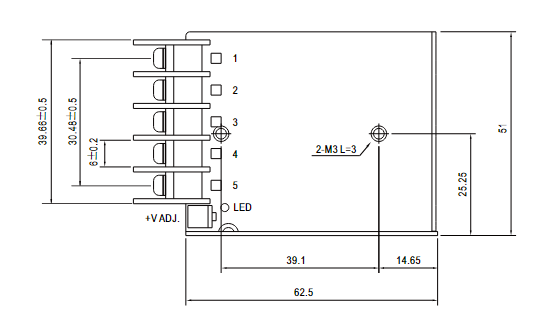
Meanwell RS-15 Series LED Displays Power Supply Mechanical Specification

Meanwell RS-15 Series LED Displays Power Supply Block Diagram
Meanwell RS-15 Series LED Displays Power Supply Installation

Meanwell RS-15 Series LED Displays Power Supply Specification







Reviews
There are no reviews yet.