Meanwell RSP-500 Series RSP-500-5 LED Displays Power Supply
RSP-500 is a 500W single output enclosed type AC/DC power supply. This series operates for 85~264VAC input voltage and offers the modules with the DC output mostly demanded from the industry. Each model is cooled by the built-in fan speed control,working for the temperature up to 70℃. Moreover,RSP-500 provides vast design flexibility by equipping various built-in funcitions such as remote ON-OFF control,remote sense,etc.
- Universal AC input / Full range
- Built-in active PFC function
- High efficiency up to 90.5%
- Forced air cooling by built-in DC fan (Note.5)
- Built-in remote ON-OFF control / remote sense / DC OK signal
- Protections: Short circuit / Overload / Over voltage/ Over temperature
- 3 years warranty
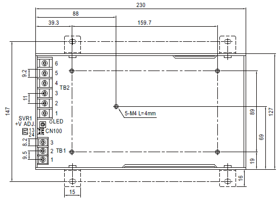
Meanwell RSP-500 Series LED Displays Power Supply Mechanical Specification
Meanwell RSP-500 Series LED Displays Power Supply Block Diagram
Meanwell RSP-500 Series LED Displays Power Supply Installation

Meanwell RSP-500 Series LED Displays Power Supply Specification










Reviews
There are no reviews yet.